Phasor Measurement Units

Real-Time Grid Visibility and Phasor Analytics for Power System Stability

The MB Control Wide Area Monitoring System (WAMS) delivers real-time grid observability through synchrophasor-based measurement and advanced grid analytics. This two-part system integrates Satec Phasor Measurement Units (PMUs) for precise, time-synchronized data and EPG PhasorSmart software for visualization, analytics, and alerting.

01
Precise Phasor Data

Satec PMUs provide high-resolution, time-synchronized grid measurements.

02
Advanced Grid Analytics

EPG PhasorSmart enables real-time visualization, diagnostics, and event alerts.

03
Regulatory Compliance

Meets requirements set by PGCIL, CEA, RLDCs, and other authorities for secure grid operation.

Key Features

Real-Time Synchrophasor Measurement
  • Measures voltage and current phasors, frequency, and ROCOF at high sampling rates (25–200 fps), synchronized via GPS.
Advanced Grid Analytics
  • Through EPG PhasorSmart, the system offers oscillation detection, angle separation analysis, inertia monitoring, and disturbance localization.
Compliance with IEEE C37.118
  • Fully compatible with international synchrophasor communication standards for grid monitoring and control.
Multi-Source Integration
  • PMUs placed at substations, inverter stations, and transmission junctions can be aggregated into a unified analytics interface.
Alarming & SOE Logging
  • Time-synchronized event logs, anomaly alerts, and predictive failure insights for SCADA, DMS, and control centers.
Integration with WAMPAC
  • Forms the data foundation for Wide Area Monitoring, Protection, and Control (WAMPAC) strategies for national grid systems.

System Components

Component Function
Satec PMU Hardware Synchrophasor measurement of V/I, angle, frequency (IEEE C37.118)
GPS Clock (IRIG-B/PTP) Provides universal time-stamping for PMU data
Phasor Data Concentrator (PDC) Aggregates multiple PMU streams into a central node
EPG PhasorSmart Software Visualizes phasor data, alerts, grid state estimation, trending
Data Storage Secure, redundant, time-stamped data logging
Comms Infrastructure Fiber, Ethernet, or LTE-based transfer from PMU to PDC

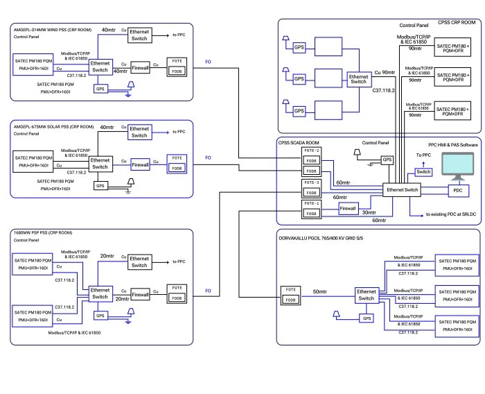
General
Architecture

Please note:We have shown a general architecture of the solution, actual architecture may vary depending on the client's requirement